1.標準
材料標準:國家標準:GB/T 1220 S30403
尺寸標準:國家標準:YB/T 5309
2. 化學成分
S30403化學成分%
| 元素 | C | Mn | P | S | Si | Cr | Ni | N |
| Min | 18.00 | 8.00 | ||||||
| Max | 0.030 | 2.00 | 0.045 | 0.030 | 1.00 | 20.00 | 12.00 | 0.1 |
| Actual value | 0.015 | 1.12 | 0.018 | 0.004 | 0.52 | 18.68 | 10.32 | 0.03 |
3. 力學性能
S30403力學性能
| 力學性能 |
抗拉強度 MPa |
屈服強度 MPa |
硬度 HBW |
斷后伸長率 (縱向) % |
晶粒度 |
| Min(標準) | 480 | 175 | 40 | ||
| Max(標準) | 187 | ||||
| Actual value | 508 | 323 | 166 | 48 | 7.5 |
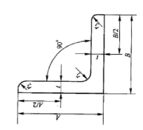
4. 典型規格

| 規格 | 尺寸偏差 | ||
| A | A | t | |
| 50*50*5 | 50±2 | 50±2.0 | 5±0.6 |
典型應用環境
主要用于核電站的應急余熱排除冷卻器。

